ITC 12 ESQUEMAS
Responde al test. Si no acertases a la primera, podrás intentarlo de nuevo todas las veces que quieras!!!
Escoge la respuesta correcta para cada pregunta, haciendo click sobre la letra correspondiente.
Mostrar todas las preguntas
<=
=>
¿Qué son las instalaciones de enlace?
?
Las que unen la red de distribución y la acometida.
?
Incluyen la acometida la casa general de protección y la línea general de alimentación
?
Son las que unen la caja General de protección con las instalaciones interiores.
?
Comienza en el principio de la acometida y terminan en los dispositivos generales de protección.
¿Quién es el responsable de su conservación y mantenimiento?
?
La empresa suministradora.
?
El promotor o constructor de la vivienda.
?
El usuario.
?
La administración.
¿Cuál de las siguientes partes no constituye las instalaciones de enlace.
?
Caja General de protección (C.G.P.).
?
Derivación individual (D.I.).
?
Acometida.
?
Dispositivos generales demande protección (D.G.M.P.).
¿Cuál es la misión del ICP?
?
ICP significa interruptor crítico de protección y evita que se sobrepasen intensidades peligrosas.
?
ICP significa interruptor de control de potencia y evita que se sobrepasen intensidades peligrosas.
?
ICP significa interruptor de control de potencia y sirve para controlar que no se exceda la potencia contratada.
?
ICP significa intensidad de contrato de potencia y representar el máximo de intensidad autorizada por el contrato.
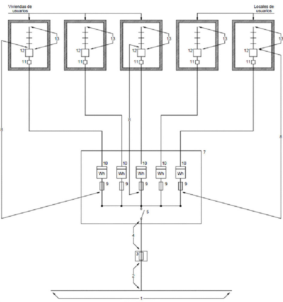
Nombra los elementos 3, 4, 5 y 9 del esquema.
?
Caja general de protección, línea general de alimentación, interruptor general de maniobra y caja de derivación.
?
Caja General de protección, línea general de alimentación, fusible de seguridad y caja de derivación.
?
Caja General de protección, línea general de alimentación, interruptor general de maniobra y fusible de seguridad.
?
Fusible de seguridad acometida interruptor general de maniobra y caja General de protección.
En qué casos se podrá simplificar las instalaciones de enlace haciendo coincidir el mismo lugar la caja General de protección y el equipo de medida.
?
En instalaciones para más de un usuario.
?
En instalaciones para más de un usuario porque la línea general de alimentación es innecesaria.
?
Sólo en instalaciones para un solo usuario. En este caso el fusible de seguridad coincide con el fusible de la caja General de protección.
?
En instalaciones para un solo usuario y para dos usuarios alimentados desde el mismo lugar.
Qué elementos se incluyen en la caja de protección y medidas?
?
Contador y fusibles de protección.
?
Contador, fusible de protección y reloj en su caso.
?
Contador, fusibles de protección, reloj e ICP.
?
Contador, reloj e ICP.
¿Qué nuevo elemento aparece en los esquemas con contadores centralizados respecto del esquema para uno o dos usuarios?
?
El fusible de seguridad.
?
La acometida
?
El interruptor general de maniobra.
?
El interruptor de control de potencia.
OK